专注高端智能装备一体化服务
认证证书

新闻资讯

【兆恒机械】机械手简介

【兆恒机械】机械手简介.

能模仿人手和臂的某些动作功能,用以按固定程序抓取、搬运物件或操作工具的自动操作装置。机械手是最早出现的工业机器人,也是最早出现的现代机器人,它可代替人的繁

Read More..
【兆恒机械】工业机器人分类基础知识

【兆恒机械】工业机器人分类基础知识.

一、工业机器人按臂部的运动形式分为四种: 1、直角坐标型的臂部可沿三个直角坐标移动; 2、圆柱坐标型的臂部可作升降、回转和伸缩动作; 3、球坐标型的臂部能回转、

Read More..
【兆恒机械】模具零件精密加工工艺控制

【兆恒机械】模具零件精密加工工艺控制.

每一套模具都是由许多零件构成,其中一部分是工艺零件,另一部分是结构零件。工艺零件直接对成型产品质量造成影响,工艺零件的最终品质在当下的模具加工企业里均用精

Read More..
【兆恒机械】无心磨床产品常见缺陷及解决办法

【兆恒机械】无心磨床产品常见缺陷及解决办法.

无心磨床,是不需要采用工件的轴心而施行磨削的一类磨床。是由磨削砂轮,调整轮和工件支架三个机构构成。无心磨床常见磨削缺陷及消除方法整理如下:一、零件不圆 发

Read More..
【兆恒机械】刀具修磨6大要点

【兆恒机械】刀具修磨6大要点.

刀具材料              在刀具修磨中常见的刀具材料有:高速钢、粉末冶金高速钢、硬质合金及PCD、CBN、金属陶瓷等超硬材料。高速钢刀具锋利、韧性好,硬质合金刀具

Read More..
【兆恒机械】铣削加工 立铣刀应用知识介绍

【兆恒机械】铣削加工 立铣刀应用知识介绍.

立铣刀的主切削刃是圆柱面上,端面上的的切削刃是副刀刃。没有中心刃的立铣刀工作时不能沿着铣刀的轴向作进给运动。标准立铣刀有粗齿和细齿两种。粗齿立铣刀的齿数

Read More..
【兆恒机械】平底立铣刀刃磨教程

【兆恒机械】平底立铣刀刃磨教程.

立铣刀的分类1、平头铣刀进行精铣或粗铣,铣凹槽,去除大量毛坯,小面积水平平面或者轮廓精铣;2、球头铣刀进行曲面半精铣和精铣,小刀可以精铣陡峭面/直壁的小倒角;3

Read More..
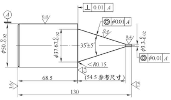
【兆恒机械】精密带肩锥度零件的磨削加工

【兆恒机械】精密带肩锥度零件的磨削加工.

1. 零件结构特点精密带肩锥度零件是万能外圆磨床磨削加工中较常见的一种零件类型。在此类零件中,较典型的是锥度大小端过渡处要求清根或过渡圆弧很小,有较高的台肩

Read More..
【兆恒机械】常见'撞机,卡刀”问题如何解决,秘籍来袭

【兆恒机械】常见'撞机,卡刀”问题如何解决,秘籍来袭.

加工中心的自动换刀装置(ATC)有两种常用类型的换刀方式:一是刀具从刀库中直接由主轴交换,适用于小型加工中心,刀库较小,刀具较少,换刀动作简单,出现掉刀等故障时容

Read More..
【兆恒机械】加工中心常见机械故障及防范措施

【兆恒机械】加工中心常见机械故障及防范措施.

              一、主轴部件故障        主轴是加工中心机床一大核心部件,加工表面精度绝大部分都和主轴有关,所以主轴的质量很关健。由于使用调速电机,数控机床主

Read More..